|
Есть вопросы? Наши квалифицированные специалисты готовы проконсультировать вас. Пишите свои вопросы или отправляйте заявку на нашу почту: gt@gigaterm.ru |
Задать вопрос
|
Цена:
Цена по запросу
Нашли дешевле?
Самовывоз - бесплатно
Доставка - по тарифу ТК
Доставка - по тарифу ТК
Характеристики
Характеристики
—
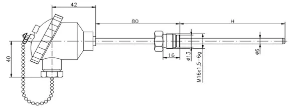
Технические характеристики термопары "ТД719"
- Корпус термопары: 12Х18Н10Т.
- Диаметр корпуса: 6 мм.
- Длина погружной части: 80, 100, 120, 160, 200, 250, 320, 400, 500, 800, 1000, 1250, 1500 мм.
- Штуцер: М16х1,5, М20х1,5 ( по заказу G1/2).
- Материал головки: алюминиевый сплав
Предназначена для измерения температуры жидких, газообразных и твердых тел в диапазоне от -150 до +800°С. При длине погружной части менее 80 мм диапазон измерения от -50 до +350°С.
- ТУ 4211-010-12023213-2007
- Внесены в Государственный реестр средств измерений под № 38468-08
- Номинальная статическая характеристика ТХА (К) и ТХК (L) по ГОСТ Р 8.585-2001.
- Класс допуска по ГОСТ 6616 94: 2 или 3.
Пример для записи при заказе: ТД719-d6-H250-М16-ХА (-150…+800⁰С)
- ТД719 - модель преобразователя;
- d6 – диаметр корпуса (мм);
- Н250 - длина погружаемой части в (мм);
- М16 – штуцер М16х1,5;
- ХА - тип НСХ.

Технические характеристики термопары "ТД719"
- Корпус термопары: 12Х18Н10Т.
- Диаметр корпуса: 6 мм.
- Длина погружной части: 80, 100, 120, 160, 200, 250, 320, 400, 500, 800, 1000, 1250, 1500 мм.
- Штуцер: М16х1,5, М20х1,5 ( по заказу G1/2).
- Материал головки: алюминиевый сплав
Отзывы
Оставить отзыв
Загрузка отзывов...

